Doel:€250.00
Donaties:€0.00

Per saldo:€-250.00

Steun ons nu!

Laatst bijgewerkt
op 03-12-2025

Vacature: secretaris bestuur
Algemeen

De stichting

Recente berichten

Mijn eerste H0-modeltreinbaan in aanbouw door Vroeger
Vandaag om 14:43:08
Ontraxs 2026 door gdh
Vandaag om 14:40:59
Toon hier je nieuwe (model-) spooraanwinst(en)... door orientexpress
Vandaag om 14:40:40
Raadplaatje door Modellbahnwagen
Vandaag om 14:28:32
England in the Lowlands door Reinder1988
Vandaag om 13:36:58
Railpro Fas aan stukken, waar horen de onderdelen? door Martijn193
Vandaag om 13:12:43
Line-up foto's van modellen door Jan Breman
Vandaag om 13:04:16
Diorama Maschinenfabrik GEIST 1 door neudalhausenstadbahn
Vandaag om 12:14:00
Een soort modules voor onder de bank door Ferdinand Bogman
Vandaag om 12:10:01
21 pin 21MTC Adapter Aansluitschema Lais door Remunj
Vandaag om 11:19:08
Big Scale Trains - NS SLT in H0 door Orazio
Vandaag om 10:42:08
Halma ladies gaan bouwen voor....... OntraXS 2027! door hervé
Vandaag om 10:21:44
De overeenkomst tussen een Ovaalramer en een Motorpost. door FritsT
Vandaag om 10:13:49
Peterstein - KPEV -H0 Fleischmann door Benrail
Vandaag om 09:50:55
De bouw van mijn modelbaan in Thailand door puntenglijder
Vandaag om 09:27:47
Modellbundesbahn in Brakel sluit in mei 2026 door Ferdinand Bogman
Vandaag om 09:23:34
motor problemen roco 72263 door Ben
Vandaag om 09:05:40
US diorama in H0 door Jelmer
Vandaag om 08:33:38
Toon hier je pas gereed gekomen (model-)spoorbouwsels ... door IJmc
Vandaag om 08:25:42
Mallnitzer Tauernbahnstrecke ÖBB N Spoor door Thai-Bundesbahn
Vandaag om 04:38:00
Vijfhuis (v.h. Frotterdam) door Te 2/2
Vandaag om 02:40:41
Camp 3 door sdz1976
24 April 2026, 23:38:34
probleem met communicatie tussen Intellibox en spoorbaan door R.C.Grootveld
24 April 2026, 22:38:33
Piko 55922 stoomlocomotief BR 003, sound, rook, digitale koppeling door LJ
24 April 2026, 20:58:28
Mooi weer om buiten te spelen door FritsT
24 April 2026, 20:31:13
Baanplan NL-BRD-DDR door Arjan6511
24 April 2026, 19:21:47
Don Sibley's Rotbach Stadt (H0m) door Sven
24 April 2026, 19:18:15
BMB-Module: “Corfe Castle Station” door Hans van de Burgt
24 April 2026, 18:38:10
NCS-72 / NS-3600 door FritsT
24 April 2026, 17:52:45
Aanpassen CV locs PIKO weinig effect door Dave.......
24 April 2026, 17:49:16
  

Auteur Topic: Simpele Multi-/LokMaus / Roco-/LocoNet / LokPilot compatible DCC module booster  (gelezen 90042 keer)

HansQ

  • Offline Offline
  • Berichten: 2048
  • Daar waar de rook is, is de kortsluiting...
Re: Simpele Multi-/LokMaus / Roco-/LocoNet / LokPilot compatible DCC module booster
« Reactie #45 Gepost op: 14 November 2013, 01:18:51 »
Hij doettut!   ;D   ...dit is het prototype voor de booster:



...na de gebruikelijke stupide fouten van mijn kant:
- Pullups voor de uitgangen van de optocoupler vergeten... (WAAROM komt dat signaal niet boven de 2V uit? omdat het opencollectors zijn, domoor!   ::) )
- De "DCC actief LED" is al aan zonder signaal... (kijk dan ook goed in de specs... het zijn INVERTERENDE uitgangen bij die optocoupler   8) )
- Waarom reageert de optocoupler alleen op de postieve flank? (omdat je de 2e input verkeerdom het aangesloten, sukkel!    :D  )
- De H-brug doet helemaal niks? (sluit dan ook de enable ingang aan...   :-*  )

enzovoort... je blijft er nederig bij, zullen we maar zeggen...

Nog even verder testen, de scoop eraan om het signaal en de voedingspanning te bekijken... kortsluitbeveliging flink testen... en dan een printje bakken!
HansQ, RailClub Utrecht
spoor N modulebouw, electronica, Selectrix

gvandersel

  • HCC!m maar toch Selectrix (RMX)
  • Offline Offline
  • Berichten: 3602
  • Als het maar elektrisch is.
    • Homepage Gerard van der Sel
Re: Simpele Multi-/LokMaus / Roco-/LocoNet / LokPilot compatible DCC module booster
« Reactie #46 Gepost op: 14 November 2013, 07:44:54 »
Gefeliciteerd  (y) (y)

Groet,

Gerard van der Sel.
Holzburg (IIIb/IVa) schaal N.
Kijk ook eens bij de bouw en lees de avonturen.

HansQ

  • Offline Offline
  • Berichten: 2048
  • Daar waar de rook is, is de kortsluiting...
Re: Simpele Multi-/LokMaus / Roco-/LocoNet / LokPilot compatible DCC module booster
« Reactie #47 Gepost op: 15 November 2013, 10:49:45 »
OK... volgende probleem.
De booster werkt prima als ik er een "echt" bipolair signaal in stop, in het eerste testgeval dus gewoon het railsignaal van een andere booster.
Helaas blijkt bij het testen met de RailSync signaal van mijn LokMaus 2 dat dit een unipolair signaal is dus ik mag aannemn dat dit ook voor de MultiMaus geldt.

Dat gaat dus niet goed... En ik wil wel graag dat de SimpleBooster voor een MultiMause als "centrale" kan dienen, dus voor RocoNet (Master) en ook geschikt is voor LocoNet.
In de specs van de NMRA (S-9.1.2_2012_07) staat ook dat een booster zowel een bipolair als een unipolair signaal moet kunnen verwerken.
Dus ik heb een paar keuzes:
- De SimpelBooster niet unipolair geschikt maken, dus alleen voor bipolaire sigalen met als geviolg dat je er geen MulitMause als Master in kunt prikken.
- De ingang van de SimpelBooster alleen naar de "positieve flank" laten kijken, dus een enkelvoudige optocoupler. Dit heeft als nadeel dat er geen "rust" toestand is op de uitgang.
- De SimpelBooster indien nodig het unipolaire signaal naar een bipolair signaal laten vertalen...

Ik ben het laatste aan het uitzoeken. Ik begin te snappen waarom andere ontwerpen een microcontroller gebruiken... Maar dat is niet "simpel", dus... :)
HansQ, RailClub Utrecht
spoor N modulebouw, electronica, Selectrix

HansQ

  • Offline Offline
  • Berichten: 2048
  • Daar waar de rook is, is de kortsluiting...
Re: Simpele Multi-/LokMaus / Roco-/LocoNet / LokPilot compatible DCC module booster
« Reactie #48 Gepost op: 15 November 2013, 17:33:02 »
OK... Ik heb de volgende oplossing verzonnen:




Ervan uitgaande dat bij een unipolair signaal ingang DCC2 altijd logisch "0" blijft, blijft dan de corresponderende optocoupler uitgang dan (vrijwel) continu open staan.
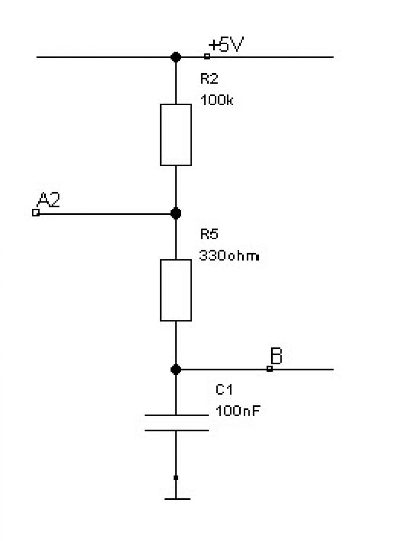
Dan kan de condensator via R2 en R5 opladen, wordt B een logische "1" en zal poort IC1C op uitgang C de geinverteerde versie van signaal A1 weergeven.
Die gaat dan via poort IC1B weer naar buiten als signaal IN2 voor de L6203 H-brug. Dus dan is IN2 altijd de inverse van IN1...

Als het signaal DCC2 wel actief is, zal (als dit werkt :) ) wordt punt B nooit logisch "1" en blijft dus "0" omdat de de condensator steeds via R5 ontladen wordt.
Dit heeft tot gevolg dat poort IC1C op uitgang C altijd "1" zal geven. Dan wordt dus netjes de geinverteerde versie van signaal A2 weergeven als input IN2 voor de L6203 H-brug.
Input IN1 geeft altijd de toestand van het DCC1 signaal weer. Het overgebleven poortje wordt gebruikt voor de gele "DCC actief" LED...
« Laatst bewerkt op: 15 November 2013, 17:40:44 door HansQ »
HansQ, RailClub Utrecht
spoor N modulebouw, electronica, Selectrix

gvandersel

  • HCC!m maar toch Selectrix (RMX)
  • Offline Offline
  • Berichten: 3602
  • Als het maar elektrisch is.
    • Homepage Gerard van der Sel
Re: Simpele Multi-/LokMaus / Roco-/LocoNet / LokPilot compatible DCC module booster
« Reactie #49 Gepost op: 15 November 2013, 17:50:15 »
Hans,

Op zich ziet het er goed uit. Ik zou echter het IC (7400) vervangen door een 4093. Dit zijn zogenaaamde schminkendttriggers. Hierdoor wordt ongedefinieerd gedrag voorkomen. Voor de rest zou dit welveens de reden voor de lctocontroller kunnen zijn. Behalve het toestaan van het railcom signaal.

Groet,

Gerard van der Sel.
Holzburg (IIIb/IVa) schaal N.
Kijk ook eens bij de bouw en lees de avonturen.

HansQ

  • Offline Offline
  • Berichten: 2048
  • Daar waar de rook is, is de kortsluiting...
Re: Simpele Multi-/LokMaus / Roco-/LocoNet / LokPilot compatible DCC module booster
« Reactie #50 Gepost op: 16 November 2013, 00:10:27 »
Hmmm, volgens mij heb je dit op een mobiel gevingerd? Schminkendttriggers? lctocontroller? :D
HansQ, RailClub Utrecht
spoor N modulebouw, electronica, Selectrix

Dirk J

  • Offline Offline
  • Berichten: 1465
Re: Simpele Multi-/LokMaus / Roco-/LocoNet / LokPilot compatible DCC module booster
« Reactie #51 Gepost op: 16 November 2013, 08:01:58 »
Als ik zo kijk hangt punt A2 aan een spanningsdeler tussen +5V en punt B, gevormd door R2 (100k) en R5 (330E).
Dat betekent dat de spanning op A2 altijd nagenoeg gelijk zal zijn aan die op B. De eerste twee regels in je tabel, waarin B=ONWAAR en en A2=WAAR, kunnen dan nooit voorkomen.
Wil je dat toch, dan kun je bijvoorbeeld een diode toevoegen die in serie staat met R5, tussen R5 en B met anode richting B, en een extra pull up weerstand aan B.

Koen/264

  • Offline Offline
  • Berichten: 9229
  • Het leven op de weg.
    • Midland
Re: Simpele Multi-/LokMaus / Roco-/LocoNet / LokPilot compatible DCC module booster
« Reactie #52 Gepost op: 16 November 2013, 09:22:38 »
Ik ben het laatste aan het uitzoeken. Ik begin te snappen waarom andere ontwerpen een microcontroller gebruiken... Maar dat is niet "simpel", dus... :)
.
Wat ik tot nu toe van de microcomtroller/arduino begrijp=
Het is volgens mij niet veel anders dan wat jij nu met "waar" en "onwaar" aan het uitvoeren bent. Werkt het ongeveer niet zoals "1-0" en "hoge waarde" en "lage waarde"? Komt toch op hetzelfde neer? Zeg ik als leek. :o

Ik zie jou werk een beetje objectief aan mijn kant van het beeldscherm ;D.  Ik zou deze klus  je niet nadoen... (y).

Gr Koen.


« Laatst bewerkt op: 16 November 2013, 09:30:29 door KoenF. Reden: citaat, tekst en leestekens bewerkt. »
Werkspoor modulen weer aktief. Swalbenburg in N de pauze stand.
Johnny Cash: All I do is drive.

HansQ

  • Offline Offline
  • Berichten: 2048
  • Daar waar de rook is, is de kortsluiting...
Re: Simpele Multi-/LokMaus / Roco-/LocoNet / LokPilot compatible DCC module booster
« Reactie #53 Gepost op: 16 November 2013, 14:15:01 »
@DirkJ: De toestand van punt B blijft in het eerste deel van de tabel altijd ONWAAR, omdat de condensator er in de orde van groote van 1 milliseconde over doet om via R2 en R5 te worden opgeladen en ongeveer iedere 100 microseconden (DCC signaal) wordt ontladen via R5. Het is dus een soort "detector" of er een (geinverteerd) DCC signaal staat op A2, het vormt dus een "DCC detector" voor ingang DCC2.

@Koen: Arduino's zijn microcontrollers, en die doen ook alles met 0/ONWAAR/0V en 1/WAAR/5V. Alleen is deze schakeling een stuk eenvoudiger en goedkoper dan het inzetten van een microcontroller zoald bijvoorbeeld een PIC wat bij andere booster ontwerpen is gedaan.
« Laatst bewerkt op: 16 November 2013, 14:18:46 door HansQ »
HansQ, RailClub Utrecht
spoor N modulebouw, electronica, Selectrix

Dirk J

  • Offline Offline
  • Berichten: 1465
Re: Simpele Multi-/LokMaus / Roco-/LocoNet / LokPilot compatible DCC module booster
« Reactie #54 Gepost op: 16 November 2013, 14:56:25 »
De situatie, iets anders getekend:



A2 wordt actief laag getrokken door de open collector uitgang van  IC3B als IC3B actief is, waardoor A2 ONWAAR is. Daarmee wordt C1 ontladen en is ook B laag.
A2 wordt passief hoog getrokken door R2 wanneer de open collector uitgang niet actief is. Door de verhouding in de spanningsdeler (R2 is 300x R5) gebeurt dat echter pas als C1 voldoende geladen is, en dan is B niet meer laag.

Daarom: als B LAAG is, is via R5 A2 óók LAAG.
Met andere woorden, als B=ONWAAR dan is in dit schema A2=ONWAAR en daarom kunnen de eerste twee regels van de tabel in dit schema nooit voorkomen.

Oplossing: een extra diode en een extra weerstand.


Hierin kan A2 wel C1 ontladen, maar C1 kan niet langer A2 laag houden.
« Laatst bewerkt op: 16 November 2013, 16:38:30 door Dirk J. Reden: verduidelijking »

Dirk J

  • Offline Offline
  • Berichten: 1465
Re: Simpele Multi-/LokMaus / Roco-/LocoNet / LokPilot compatible DCC module booster
« Reactie #55 Gepost op: 16 November 2013, 15:59:00 »
Ter aanvulling nog even een tabel met spanningswaarden, in de situatie dat IC3B niet actief is en A2 WAAR zou moeten zijn, te beginnen met C1 volledig ontladen en eindigend met C1 volledig geladen, in het schema zonder extra diode:



Je ziet dat A2 nagenoeg gelijk is aan B.

HansQ

  • Offline Offline
  • Berichten: 2048
  • Daar waar de rook is, is de kortsluiting...
Re: Simpele Multi-/LokMaus / Roco-/LocoNet / LokPilot compatible DCC module booster
« Reactie #56 Gepost op: 16 November 2013, 16:42:21 »
Wacht even.... wat je dus zegt is dat het effect van R5 bij een ongeladen C1 is dat A2 nooit meer "hoog" kan worden... dat is een probleem.
...hier moet ik even over nadenken, waarschijnlijk is dit wel op te lossen met een goed geplaatste diode... wordt vervolgd, bedankt!
HansQ, RailClub Utrecht
spoor N modulebouw, electronica, Selectrix

Dirk J

  • Offline Offline
  • Berichten: 1465
Re: Simpele Multi-/LokMaus / Roco-/LocoNet / LokPilot compatible DCC module booster
« Reactie #57 Gepost op: 16 November 2013, 17:09:06 »
Nou, nooit meer is wat overdreven, maar als op de ingang van IC3B een puls staat zal A2 inderdaad altijd laag blijven. En ja, de oplossing is een diode, maar ook een weerstand:

... bijvoorbeeld een diode toevoegen die in serie staat met R5, tussen R5 en B met anode richting B, en een extra pull up weerstand aan B.

Oplossing: een extra diode en een extra weerstand.


Hierin kan A2 wel C1 ontladen, maar C1 kan niet langer A2 laag houden.
« Laatst bewerkt op: 16 November 2013, 17:34:14 door Dirk J. Reden: verduidelijking »

tuurtje

  • Offline Offline
  • Berichten: 4694
Re: Simpele Multi-/LokMaus / Roco-/LocoNet / LokPilot compatible DCC module booster
« Reactie #58 Gepost op: 16 November 2013, 17:10:02 »
Hoi Hans,

Ik volg jouw draadje met grote interesse  (y)

Dit kwam ik vandaag tegen in de bibliotheek,

Ik ga dit maar eens de komende weken goed bestuderen, misschien is het ook een oplossing voor jouw  ???

Groetjes

Arthur
Arthur is helaas in januari 2025 overleden

HansQ

  • Offline Offline
  • Berichten: 2048
  • Daar waar de rook is, is de kortsluiting...
Re: Simpele Multi-/LokMaus / Roco-/LocoNet / LokPilot compatible DCC module booster
« Reactie #59 Gepost op: 16 November 2013, 17:37:29 »
@Arthur: Ik probeer de kosten van de booster onder de Euro 10 te houden dus een Arduino gebruiken lijkt me niet zo'n goed idee, ik zou ook niet weten waarvoor. Als ik al een microcontroller zou gebruiken voor het ingangssignaal zou het een PICje van een Euro of minder zijn, maar dat lijkt me niet nodig en maakt het ontwerp alleen maar complexer. Dan is het geen "SimpelBooster" meer...
HansQ, RailClub Utrecht
spoor N modulebouw, electronica, Selectrix